| LUX A-3700U.修理 |
| 平成26年3月12日持込 3月14日返却 |
A. 修理前の状況
- 義兄所有のLUX A3700-Uの KITなのですが、詳細な説明書付いてます。
ケー*ウンドラ*・*田さんに組み立てて頂いたもので、終段出力真空管はKT-88が4本です。
スイッチを入れると、KT-88が全部駄目になるというものです。
怖くて触れません。
W. 長期休眠のトランスの水分抜き処理
- 長い間通電していない「トランスの高圧巻き線」は湿気を含み、絶縁力が落ちているので、
巻き線に直流を流し、銅損の熱で乾燥させる。巻き線の電流を考慮し、長時間通電する(10〜20時間連続)
特に、古い製品でケースに封入されている物は、詰め物に「ピッチ」が使用されているので、特に注意する。
B. 原因
- 組み立て時からか?
KT-88 3結接続PP回路で組み立てたのですが、使用した出力トランスはシングル用です。
- よって修理方法は下記3通りから選択する、
- A.出力トランスをOY15−3.6K−HPに交換する。
- B.KT-88 3結シングルで使用する。
- C.KT-88 5結シングルで使用する。
- 平成26年3月14日オークションにて売却依頼で修理中止(返却)。
L. LUX OY15−3.5K−HS 出力トランス点検
- 何かの間違いで、シングル用トランスが使用されている。
交流電圧を入力し、各巻き線の出力電圧を点検する。
S. LUX A-3700、A3700U の仕様(マニアル・カタログより)
ユーザー都合で返却。
|
A. 修理前の状況
A11. 外観 前から見る |
 |
| A12. 外観 前左から見る |
 |
| A13. 外観 後から見る |
 |
| A19. 外観 後右から見る |
 |
| A1A. 外観 上から見る |
 |
| A21. 外観 下前から見る |
 |
| A22. 外観 下前右から見る |
 |
| A23. 外観 下後から見る |
 |
| A24. 外観 下後左から見る |
 |
| A25. 外観 下から見る |
 |
| A31. 下蓋を外し、下から見る |
 |
| A32. 下蓋を外し、出力トランス回路を見る |
 |
| A33. 下蓋を外し、真空管下を見る |
 |
| A34. 下蓋を外し、整流回路を見る |
 |
| A35. 下蓋を外し、電源トランス回路を見る |
 |
| A41. 点検中 新品のKT-88−4本。 GrooveTubes GT-KT88SV |
 |
| A42. 点検中 新品のKT-88−4本。 |
 |
| A51. 点検中 「6267、6AQ8」。 |
 |
| A52. 点検中 「6267、6AQ8」、袴を見る。 |
 |
| A61. 点検中 電源コード、SW |
 |
| A62. 点検中 SP接続端子。 |
 |
| A63. 点検中 RCA端子。 |
 |
A71. 点検中 説明書(22ページ)。 下記回路図が載っています。
- KT−88,6CA7 3極管接続NFBステレオ・プッシュプル回路
- KT−88,6CA7 3極管接続NON−NFBステレオ・プッシュプル回路
- KT−88,6CA7 UL接続NFBステレオ・プッシュプル回路
- KT−88 UL接続 ステレオ・シングル回路
- 2A3 ステレオ・シングル回路
実体配線図は、KT−88,6CA7 3極管、UL接続ステレオ・プッシュプル回路が乗っています。 |
 |
W. 長期休眠のトランスの水分抜き処理。 下2台=出力トランス2個へ、 上側=電源トランスへ。
- 長い間通電していない「トランスの高圧巻き線」は湿気を含み、絶縁力が落ちているので、
巻き線に直流を流し、銅損の熱で乾燥させる。巻き線の電流を考慮し、長時間通電する(10〜20時間連続)
出力トランス用はPP端子間、電源トランスは高圧巻き線2組を直列接続にする。
|
 |
L. LUX OY15−3.5K−HS 出力トランス点検。
LUX OY15−3.5−HS の仕様。
1次インピーダンス=3.5kΩ(P−B間)。
2次インピーダンス=8Ω。
インピーダンス比=3.5kΩ/8Ω=437.5、 巻き線比=20.92。
2次8Ω端子にAC5V/1kHzを入力すると、1次巻線P−B間電圧=104.58V。 |
| L1. 点検中 出力トランス名板。 |
 |
L2. 点検中 右側出力トランス電圧測定。 8Ω端子にAC5V/1kHzを入力し測定する。
P−SG端子間電圧=41.92V、 SG−B端子間電圧=52.83V
1次巻き線P−B端子間電圧=52.83+41.92=94.75V |
 |
L3. 点検中 左側出力トランス電圧測定。 8Ω端子にAC5V/1kHzを入力し測定する。
P−SG端子間電圧=41.80V、 SG−B端子間電圧=53.10V
1次巻き線P−B端子間電圧=41.80+53.10=95.11V |
 |
| L4. 点検中 出力トランス端子の配線の様子。 |
 |
| S. LUX A-3700、A3700U の仕様(マニアル・カタログより) |
| 型式 |
管球式パワーアンプ用シャーシキット A−3700 |
| 構成パーツ |
本体
\48,000(1978年発売) |
サーキットパーツセット
TCR-45(\47,500) |
サーキットパーツセット
TCR-A7(\41,500) |
CRパーツセット
CR-3700P(\7,500) |
|
パワートランス 9F380
チョークコイル #4705
ブロックコンデンサ
47uF×3/550V(3個)
ブロックコンデンサ
47uF×3/350V
ボンネット
シャーシ
サブシャーシ
底板
ピンジャック端子板
スピーカー端子板
パワースイッチ
ネオンパイロット
ヒューズホルダー
入力レベル調整用ボリューム(2個)
DCバランス調整用ボリューム(2個)
バイアス調整用ボリューム(2個)
ハム・バランサー用ボリューム
各ボリューム取付金具(4個)
モールド端子板(5個)
電源コード
コードストッパー
ゴム足(4個)
セッティングノブ(2個)
端子板取付金具
ビス類一式
アッセンブリーマニュアル |
3極出力管 8045G(4本)
真空管 6240G(2本)
真空管 6AQ8(2本)
アウトプットトランス
OY15-3.6K-HP(2個)
チューブパネル VP-1
GTソケット(4個)
MTソケット(4個)
ラグ板(4個)
コイル(2個)
ダイオード(5個)
抵抗一式
コンデンサー一式
配線材料一式 |
5極出力管 6CA7(4本)
真空管 6240G(2本)
真空管 6AQ8(2本)
アウトプットトランス
OY15-5K-HP(2個)
チューブパネル VP-1
GTソケット(4個)
MTソケット(4個)
ラグ板(4個)
コイル(2個)
ダイオード(5個)
抵抗一式
コンデンサー一式
配線材料一式 |
抵抗一式
コンデンサー一式
GTソケット(4個)
MTソケット(4個)
ラグ板(4個)
コイル(2個)
ダイオード(5個)
配線材料一式 |
| 別売 |
プッシュプル用チューブパネル VP-1(\2,000)
プッシュプル用チューブパネル VP-2(\2,000)
シングル用チューブパネル VP-3(\2,000)
未加工チューブパネル VP-4(\1,500)
アウトプットトランス OY15-3.6K-HP(\12,800)
アウトプットトランス OY15-5K-HP(\12,800)
アウトプットトランス OY15-2.5K-HS(\12,800)
アウトプットトランス OY15-3.5K-HS(\12,800) |
|
| 自作用チューブパネル |
VP-1
プッシュプル用チューブパネル
GT管用穴-4
MT管用穴-4 |
VP-2
プッシュプル用チューブパネル
GT管用穴-4
MT管用穴-4 |
VP-3
シングル用チューブパネル
GT管用穴-2
MT管用穴-3 |
VP-4
チューブソケット用の穴は空いていません。自由に真空管を選んで、加工して下さい。
ただし、出力管の管壁とアウトプット・トランスの間は40mm以上離れるようにして下さい。 |
| MT管用穴 VP-1〜VP-3 |
GT管用穴 VP-1、VP-2 |
GT管、ST管用穴 VP-3 |
 |
 |
 |
使用可能チューブソケット
(すべて9P用)
サトー(S-7250、S-482)
QQQ(S9-241Y)
SMK(S-B7712) |
使用可能チューブソケット
(SB-801、S-B2603は12P用、その他は8P用)
サトー(S-3898、S-501US)
QQQ(S8-401C、SB-801)
SMK(S-B3406、S-B2603) |
使用可能チューブソケット
VP-1、VP-2で使用可能なGT管用チューソケットの他に、
サトー(S-501VX、S-501UY、S-501UT)が使用可能 |
| A3700採用のパワートランス9F380 |
主な用途=8045G、KT-88、6CA7 - プッシュプル・ステレオ、 8045G、KT-88、6CA7、2A3 - シングル・ステレオ
全負荷入力=320W、鉄心積厚=68mm、重量=6.5kg、価格=\15,800 |
| 端子配列 |
 |
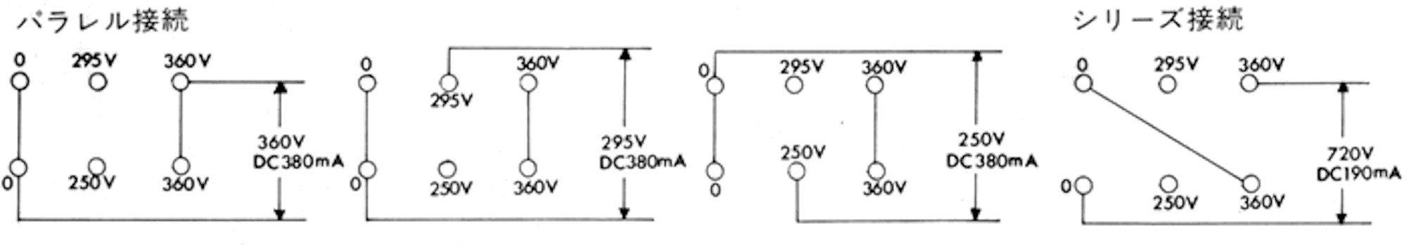
接続方法
B捲線をパラレルまたはシリーズに接続することによって、720V/DC190mA、360V/DC380mA、295V/DC380mA、250V/DC380mAの電圧が得られます。 |
 |
| A3700採用のチョークコイル4705 |
外形=14型、 インダクタンス=5H(1.25H)、 重畳直流値=170mA(340mA)、 直流抵抗=75Ω(19Ω)、 安全電流値max300mA(600mA)、重量
価格=1.44kg \4,400
上記インダクタンス値は、10V/60Hzを加えて所定の直流を重畳した時の値です。偏差±10%以内。安全電流値は連続的に流すことのできる直流電流の限界値です。
規格の中で括弧外の標準値はシリーズ接続時の値、括弧内はパラレル接続値です。 |
| 接続方法 |
 |
|
| 新OY15型アウトプットトランス |
| 型番 |
一次
インピーダンス |
主な用途
(SGタップ付) |
推奨容量 |
一次インダクタンス |
許容直流値 |
挿入
損失 |
重量 |
価格 |
1V
(60Hz) |
10V
(60Hz) |
max |
不平衡 |
平衡 |
| OY15-3.6K-HP |
3.6kΩ |
8045G、KT-88
プッシュプル用 |
50W |
60H |
150H |
370H |
2.8mA |
195mA |
-0.4dB |
2.4kg |
\12,800 |
| OY15-5K-HP |
5kΩ |
6CA7、50CA10
プッシュプル用 |
50W |
80H |
200H |
510H |
2.3mA |
160mA |
-0.45dB |
2.4kg |
\12,800 |
| OY15-2.5K-HS |
2.5kΩ |
2A3、8045G、6CA7(UL)
6L6GC(UL)、6GB8(UL)
シングル用 |
25W |
- |
15H |
- |
120mA |
- |
-0.57dB |
2.4kg |
\12,800 |
| OY15-3.5K-HS |
3.5kΩ |
2A3、KT-88(UL)、PX-46CA7(UL)
シングル用 |
25W |
- |
21H |
- |
120mA |
- |
-0.54dB |
2.4kg |
\12,800 |
|
| 型式 |
パワーアンプキット A−3700U \49,500(1982年頃) |
| キット名 |
TCR88 \95,000(1982年頃) |
TCRA7II \47,500(1982年頃) |
回路方式3極管接続
NON-NFB |
3極管接続
NFB付 |
UL接続 |
3極管接続
NON-NFB |
3極管接続
NFB付 |
UL接続 |
| 最大出力30W |
30W |
55W |
25W |
25W |
45W |
| 実効出力25W |
25W |
50W |
20W |
20W |
40W |
全高調波歪率2%以下
(1kHz、25W) |
0.5%以下
(1kHz、25W) |
0.5% |
2%以下
(1kHz、20W) |
0.5%以下
(1kHz、20W) |
0.5%以下
(1kHz、40W) |
周波数特性20Hz〜25kHz
(-1dB以内) |
10Hz〜40kHz
(-1dB以内) |
10Hz〜40kHz
(-1dB以内) |
20Hz〜25kHz
(-1dB以内) |
10Hz〜40kHz
(-1dB以内) |
10Hz〜40kHz
(-1dB以内) |
| 入力感度/インピーダンス650mV/50kΩ |
700mV/100kΩ |
850mV/100kΩ |
600mV/50kΩ |
700mV/100kΩ |
760mV/100kΩ |
| 残留雑音1mV以下 |
0.5mV以下 |
0.5mV以下 |
1mV以下 |
0.5mV以下 |
0.5mV以下 |
| 外形寸法 |
幅410×高さ168×奥行237mm |
| 重量 |
17.7kg |
| 別売 |
CR3700PII \10,000(1982年頃)
手持ちの真空管やOY15を使ってステレオプッシュプル回路を搭載するためのパーツセットで、抵抗、コンデンサ、ソケット、ラグ板、配線材料がセットとなっています。これにより2A3などの大型ST管を出力管に使うこともできます。なお、構成によって形状や高さが変わるため付属のボンネットが使用できない場合があります。
別売で下記チューブパネルがありました。
VP-1=プッシュプル用チューブパネル \2,000
プッシュプル用チューブパネルで、GT管用の穴が4個とMT管用の穴が4個空いています。
VP-2=プッシュプル用チューブパネル VP-2 \2,000
プッシュプル用チューブパネルで、GT管用の穴が4個とMT管用の穴が3個空いています。
VP-3=シングル用チューブパネル VP-3 \2,000
シングル用チューブパネルで、GT管用の穴が2個とMT管用の穴が3個空いています。
VP-4=未加工チューブパネル VP-4 \1,500
|
|
a3700_s |
ここに掲載された写真は、修理依頼者の機器を撮影した物です、その肖像権・版権・著作権等は、放棄しておりません。 写真・記事を無断で商用利用・転載等することを、禁じます。
Copyright(C) 2021 Amp Repair Studio All right reserved. |
|